Toll Free: 866-708-4707
Menu Date/Time Stamps Numbering Stamps Service Supplies Contact Us

 RapidPrint Service Manual / RapidPrint Parts Manual


We provide a large variety of miscellaneous parts for the RapidPrint stamp machines.   Though we don't believe most parts are user serviceable, there are times when a simple part will fix a big problem.   And because of the many requests that we get, each week, it's time to make it easier on all of us.

We have a minimum order of $10 with shipping costs starting at $5.   When ordering part(s), please specify the page title and the part number(s).

PLEASE NOTE: Microsoft Internet Explorer users may experience image resizing making it near impossible to read these pages.   To disable this feature, from the drop-down menu of Internet Explorer go to "Tools -> Internet Options -> Advanced (Tab) -> Enable automatic image resizing" and uncheck this item.

RapidPrint General Assembly

RapidPrint AR (Date/Time Stamp Head Assembly)

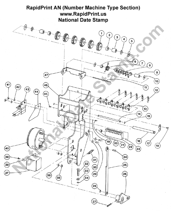
RapidPrint AN (Numbering Machine Top Assembly)

RapidPrint Bottom Frame Casting(Models AR, AN and AD)

RapidPrint Solenoid Frame Assembly.gif

RapidPrint Digital Clock Assembly


Click here to order or ask questions on RapidPrint parts